產品中心
.jpg)

.jpg)
.jpg)
.jpg)

.jpg)
.jpg)
控制器
安全性確認——故障保護
觸邊開關廠家的管控
針對于4線和2線式全部有斷線檢測功能。
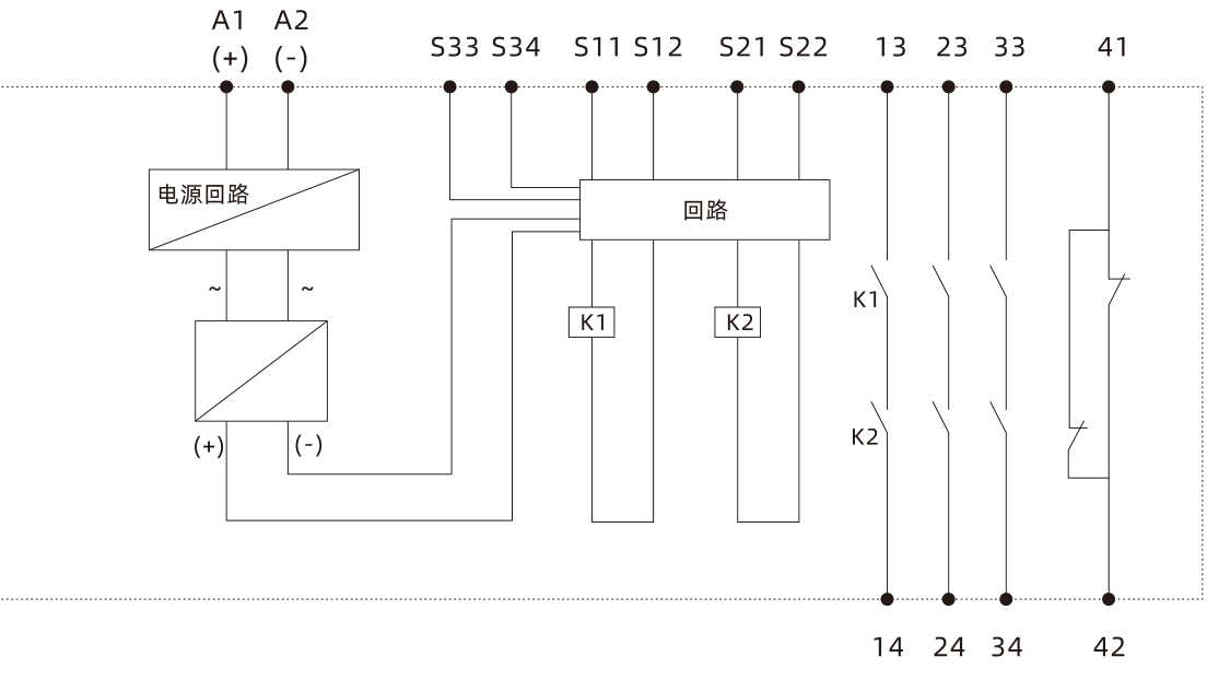
回路圖
正常狀態
恒定電流(I)流過K1繼電器為勵磁狀態 安全出力
傳感器動作
繼電器線圈K1處于非勵磁狀態 安全出力
電壓低下(功率損失)
電流(I)不流過K1時為非勵磁狀態 安全出力
傳感器不良(開關導體不良,信號線)
電流(I)不流動時,K1處于非勵磁狀態 安全出力
安全出力off → 非常停止回路動作 → 機械停止
KPSSU控制單元規格式樣
型式
KPSSU/1
KPSSU/2
KPSSU/3
KPSSU/4
KPSSU/A1
KPSSU/A2
供給電壓
110/240VAC 50/60HZ
24VDC
110/240VAC 50/60HZ
24VDC
110/240VAC 50/60HZ
24VDC穩定電源
消費電壓
6VA
6VA
10VA
安裝方法
DIN軌道安裝
面板安裝
DIN軌道安裝
保護等級
IP20
IP67
IP20
故障排除
手動(外部)復位
自動復位
安全等級
類別3(EN954-1)UL/cUL認證
UL/cUL認證
安全出力容量
2.0A@240VAC、24VDC(電阻負載)
KPSSU/1
KPSSU/2 型式、尺寸(mm)
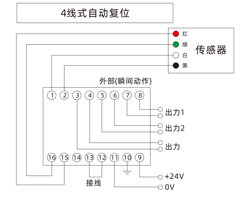
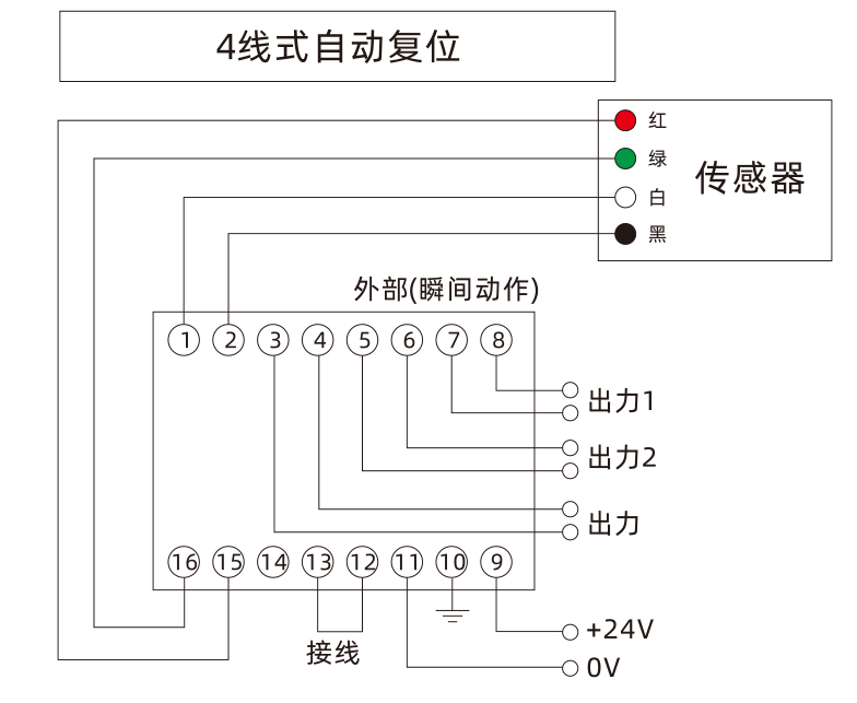
接口端子、配線方法
KPSSU/2 直流入力 KPSSU/1 交流入力
只有電源接線與直流入力不同

KPSSU/3
KPSSU/4 型式、尺寸(mm)
接口端子、配線方法
KPSSU/4 直流入力
KPSSU/3 交流入力
只有電源接線與直流入力不同
KPSSU/A1
KPSSU/A2 型式、尺寸(mm)
接口端子、配線方法
KPSSU/A2 直流入力
KPSSU/A1 交流入力
只有電源接線與直流入力不同
注:內部的接續跳線進行改變
出力1.出力以及監控出力的NC、NO可進行變更。
KPRSU/4
型式、尺寸(mm)
高精度 采用安全用雙線圈
規格
R人力
AC/DC24V無切換下可使用
消費電力
5VA
應答時間
<30msec
最低動作時間
250msec
動能
自動、外部
安全出力
3回路(容量5A@230VAC)
監控出力
1回路
保護等級
IP20
KPRSU/4 電路圖
4線式接線圖
安全等級3

